Размер конусной арматуры BSP 60 соответствует каталогу ISO 8434 6, включая детали конца для штекерного разъема; Детали поворотного охватывающего конца с уплотнительным ниппелем для уплотнительного кольца (тип A); Детали конца для поворотного разъема (стиль B).

BSP_60_cone_fittings_dimension_ISO_8434_6_male

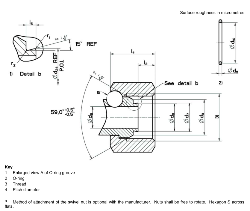
BSP_60_cone_fittings_dimension_ISO_8434_6_swivel_female_A

BSP_60_cone_fittings_dimension_ISO_8434_6_swivel_female_B

При выборе соответствия этой части ISO 8434 используйте следующее утверждение в отчетах об испытаниях, каталогах и коммерческой литературе: «Размеры и конструкция конусных соединителей на 60 ° в соответствии с ISO 8434-6, Соединения с металлическими трубками для жидкости».
Питание и общее использование. Часть 6. Конусные соединители 60 ° с уплотнительным кольцом или без него. "






